Filter Mount > FMA04

FMA-04A

Filter Mounting
Assembly
For
818 Series Programmable
Filter Modules


Download PDF File

Download Adobe Acrobat Reader
Download Acrobat Reader

FMA-04A
Single Channel Filter Mounting Assembly
 

Purchase

 

 

Description

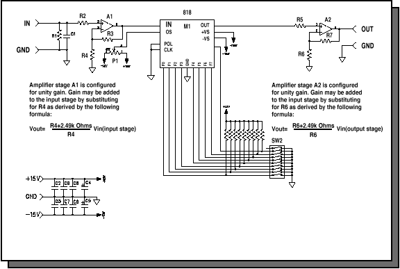
The FMA-04A is a filter mounting assembly that eliminates the need to breadboard or hand-wire filter modules into individual test set-ups. The FMA-04A is a factory assembled 3" x 5" printed-circuit board with socket pins for filter insertion, various electronic components, screw terminal connection for power and BNC connectors for signal input/output. FMA-04A’s will operate any of the low-pass or high-pass 818 programmable series filter modules.

Features/Benefits:

  • No more building of breadboards.
  • Utilized as a single channel bench-top test set or rack mounted via mounting holes for instrumentation applications.
  • Accepts a broad range of programmable filter modules allowing for selected cut-off frequencies and transfer functions specific to each application.
  • Provide quick and easy connection between circuit card and wired electrical circuits.
  • All external connections are easily made with a screwdriver, reducing engineering design, set-up and test time.
 

Applications

  • Aerospace, navigation, sonar applications
  • ATE, research and development
  • Automotive and transportation
  • Communication systems and electronics
  • Data acquisition systems
  • Industrial process control
  • Medical electronics equip. and research
  • Sound and vibration testing
  • Noise elimination
  • Signal reconstruction

See Our new FMA Power Supply which can power multiple filters. FMA-PS

Low-Pass Filters Available:

 

High-Pass Filters Available:

818
8-pole
1.00 kHz to 1.28 MHz
 
818
8-pole
1.00 kHz to 1.28 MHz


Schematic


Block Diagram


We hope the information given here will be helpful. The information is based on data and our best knowledge, and we consider the information to be true and accurate. Please read all statements, recommendations or suggestions herein in conjunction with our conditions of sale which apply to all goods supplied by us. We assume no responsibility for the use of these statements, recommendations or suggestions, nor do we intend them as a recommendation for any use which would infringe any patent or copyright.


Frequency Devices, Inc.
Your engineering partner for signal conditioning
  927 Fosse Rd
Ottawa, IL 61350


e-mail: sales@freqdev.com

 

Phone: (815) 434-7800

Copyright © 2001-2014 Frequency Devices
All Rights Reserved