Filter Mount > FMA01S

FMA-01S

Filter Mounting
Assembly
For
D61, D64, D66, D68, D70, D72, D74, D76 and D78 Series
Fixed Frequency Filters


Download PDF File

Download Adobe Acrobat Reader
Download Acrobat Reader

FMA-01S
Single Channel Filter Mounting Assembly
For Fixed Frequency Filters
 

Purchase

 

 

Description

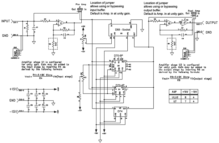
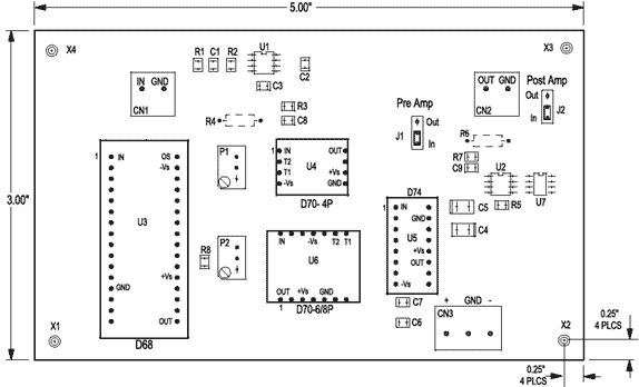
The FMA-01S, Filter Mounting Assembly eliminates the need to breadboard or hand-wire filter modules into individual test set-ups. FMA-01S’s are factory assembled 3” x 5” printed-circuit boards with socket pins for filter insertion, various electronic components, and screw terminal connections for power and signal input/output. The FMA-01S operates with any of the D61, D64, D66, D68, D70, D72, D74, D76 or D78 Series filter modules.

Features/Benefits:

  • No more building of breadboards.
  • Utilized as a single channel bench-top test set or rack mounted via mounting holes for instrumentation applications.
  • Accepts a broad range of filter modules allowing for selected cut-off frequencies and transfer functions specific to each application.
  • Provides quick and easy connection between circuit card and wired electrical circuits.
  • All external connections are easily made with a screwdriver, reducing engineering design, set-up, and test time.
 

Applications

  • Aerospace,navigation,sonar applications
  • ATE,research and development
  • Automotive and transportation
  • Communication systems and electronics
  • Data acquisition systems
  • Industrial process control
  • Medical electronics equipment and research
  • Sound and vibration testing
  • Noise elimination
  • Signal reconstruction

See Our new FMA Power Supply which can power multiple filters. FMA-PS

Low-Pass Filters Available   High-Pass Filters Available   Band-Pass Filters Available
Model #
# Poles
Frequency Range
 
Model #
# Poles
Frequency Range
 
Model #
# Pole Pair
Frequency Range
D61
4
0.02 Hz to 1.00 Hz
 
D61
4
0.05 Hz to 1.00 Hz
 
D64BP
2
1.00 Hz to 100 kHz
D64
4
1.00 Hz to 100 kHz
 
D64
4
1.00 Hz to 100 kHz
 
D68BP
4
1.00 Hz to 100 kHz
D66
6
1.00 Hz to 100 kHz
 
D66
6
1.00 Hz to 100 kHz
       
D68
8
1.00 Hz to 100 kHz
 
D68
8
1.00 Hz to 100 kHz
 
Band-Reject (Notch) Filters Available
D70
4, 6, 8
100 Hz to 50 kHz
 
D70
4, 6, 8
100 Hz to 50.0 kHz
 
D68BR
4
1.00 Hz to 100 kHz
D72
2
1.00 Hz to 100 kHz
 
D72
2
1.00 Hz to 100 kHz
 

Special notes

  • Provision for bypass of I/O buffers.
  • Provision for gain adjustment of I/O buffers.
  • Enhanced output current to drive cables.
D74
4
1.00 Hz to 100 kHz
 
D74
4
1.00 Hz to 100 kHz
 
D76
6
1.00 Hz to 100 kHz
 
D76
6
1.00 Hz to 100 kHz
 
D78
8
1.00 Hz to 100 kHz
 
D78
8
1.00 Hz to 100 kHz
 

Schematic

Top Layout


We hope the information given here will be helpful. The information is based on data and our best knowledge, and we consider the information to be true and accurate. Please read all statements, recommendations or suggestions herein in conjunction with our conditions of sale which apply to all goods supplied by us. We assume no responsibility for the use of these statements, recommendations or suggestions, nor do we intend them as a recommendation for any use which would infringe any patent or copyright.


Frequency Devices, Inc.
Your engineering partner for signal conditioning
  927 Fosse Rd
Ottawa, IL 61350


e-mail: sales@freqdev.com

 

Phone: (815) 434-7800

Copyright © 2001-2014 Frequency Devices
All Rights Reserved